current scan lin (obsolete)

Current Density Distribution Measurement in large fuel cells and fuel cell stacks

Measurement device of the type current scan lin for a 150cm² stack

Measurement data


The devices of type current scan lin allow:

+ detailed analysis of flow fields
+ detailed analysis of materials
+ optimization of fuel cells
+ fault diagnostics in fuel cells
+ resolution of about 7 x 7 mm
+ current range up to 2.5 A/cm²
+ temperature range up to 180°C
+ standard devices are available
+ special designs on request


With the current scan lin, the current density distribution can be measured with a high resolution and it offers a linear complexity. So it is also applicable in large fuel cells. It is connected via USB to any computer and easy to use.
In a fuel cell the local conditions differ, which leads to an inhomogeneous mass conversion resulting in an inhomogeneous current production. One of the keys to a deeper understanding of PEM fuel cells, DMFC and other electrochemical cells, is the measurement of the current density distribution. In large fuel cells this is important for a save and reliable operation as well as a high lifetime. Up to now the high complexity was a major problem.


Application

The device of type current scan lin shown befor has a resolution of 17 x 19 measurement cells and an active area of 150cm². It will be placed between the two halves of a bipolar plate at an arbitrary place in the stack. The pictures below show a typical current distribution and a temperature distribution.

current distribution

temperature distribution


Measurement Principle

The measurement cells of the devices ot type current scan lin are build up small transformers. This is shown in the following picture.

basic measurement cell


The permeability of a magnetic material is dependend on the magnetization and the temperature. The current Im, which has to be measured, flows through the coil L1 and causes a magnetization of the magnetic material (dashed line). An alternating current i(t), feed into L2, induces a voltage u(t) into the coil L3. This voltage depends upon the permeability of the magnetic material (dashed line). So it depends upon the current Im.
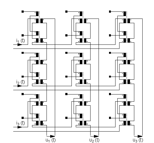
Single measurement cells are conducted in series, in rows and columns. This is shown in the following picture for example at 3 x 3 measurement cells.

matrix of 3 x 3 measurement cells


The alternating currents i1(t) to in(t) will be fed consecutively into the matrix to activate the rows 1 to n. At the columns the voltages u1(t) to un(t) will be acquired as measurement signals. The measurement cells, which are not activated by an alternating current, deliver nothing to the measurement signal. In general n² measurement points can be reached with 2 n wire pairs. So the complexity for connection wires, control and evaluation electronics is linear! This way, measurement devices for arbitrary large fuel cells can be built easily.


Available standard devices

The following picture shows the standard devices Test25, Test50 and Test100 complete with 25cm², 50cm² and 100cm² single cell fuel cell and resistors to heat up the fuel cells.

Different electronics which are able to drive up to 48 rows and 48 columns are available. They also differ in the number of independent input channels, influencing the speed.

Also available with 50cm² and 100cm² is the shown universal design. Outside the active area with measurement cells and a restricted area for the conductor paths, arbitrary holes may be drilled.

Test25, Test50 and Test100

electronics for up to:23 rows, 23 columns (top),
48 rows, 24 columns (middle),
48 rows, 48 columns (bottom)

universal design with an active area of 50cm²


Custom made devices

custom made sensor plate with an active area of 800cm²


The above picture (by courtesy of Helion) shows a custom made sensor plate with an active area of 800cm² and 46 x 36 measurement cells. Nearly any design is possible. The minimal size of the measurement cells is 7 x 7mm. The maximal size is restricted by the current they have to measure and should not be much larger.


Specifications
general data
current measurement range 0..1.25A/(measurement cell) or 0..2.5A/cm²
resolution of current measurement 0.01A
measurement time for current 0.5 seconds for 100 measurement cells with one channel
temperature measurement optional
measurement time for temperature 2 seconds for 100 measurement cells with one channel
position of measurement at an arbitrary position in a stack up to 60V (higher optional) or single cells

sensor plate
segments gold plated
size of measurement cell 7mm x 7mm (0.5cm²)
thickness approximately 3.5mm
maximum current 3A per measurement cell
maximum operating temperature of sensor plate 100°C, 180°C optional

electronic
available configurations of the electronic up to maximal:
rowscolumnschannelsactive area
23231160 x 160mm
48243336 x 168mm
48486336 x 336mm
interface USB-Interface
auxiliary power supply AC Input 100-240VAC, 50-60Hz, 0.4A
operating environment 0-40°C, humidity: no condensation

software user interface and device drivers for Windows 2000 and Windows XP

Download flyer for current scan lin as pdf.